Unraveling the 2013 Hyundai Genesis: Your Ultimate Wiring Harness Guide!

Unraveling the 2013 Hyundai Genesis: Your Ultimate Wiring Harness Guide!

Unlock the secrets of your 2013 Hyundai Genesis with our comprehensive wiring harness diagram. Expert insights for a seamless understanding of your vehicle's intricate electronics. Master your Genesis today!

Embarking on a journey through the intricate web of wires beneath the hood, the 2013 Hyundai Genesis wiring harness diagram is a roadmap to the vehicle's electronic symphony. As we delve into this meticulously crafted guide, empathically connecting with the very essence of your Genesis, each line and node holds a tale of seamless integration. Picture yourself navigating the intricate circuitry with the precision of a conductor orchestrating a symphony – the empathic pulse of electrical currents telling the story of your Genesis's unparalleled performance.

Top 10 important point for '2013 HYUNDAI GENESIS WIRING HARNESS DIAGRAM'

  1. Decoding the Wire Maze: Where to Start?
  2. Understanding Color Codes for Easy Identification
  3. Connecting the Dots: A Step-by-Step Guide
  4. Common Pitfalls: Troubleshooting Made Simple
  5. Upgrading Your Genesis: Compatible Add-ons
  6. Mastering Connector Types for DIY Repairs
  7. Protective Measures: Insulating Your Wires
  8. Optimizing Performance: Tips for Enhanced Connectivity
  9. Reading Between the Lines: Unraveling Diagram Symbols
  10. Pro Tips: Harness Maintenance for Longevity

Several Facts that you should know about '2013 HYUNDAI GENESIS WIRING HARNESS DIAGRAM'.
htmlCopy code

Welcome to the Electrical Symphony

Electrical Symphony

Deciphering the Code

Embark on a visual journey with the 2013 Hyundai Genesis wiring harness diagram. Like a secret code waiting to be cracked, this guide unveils the intricate web of wires beneath the hood. Discover the beauty behind the chaos!

Deciphering the Code

Colorful Connections

Colors aren't just for aesthetics; they guide you through the wiring labyrinth. Each hue tells a story, making identification a breeze. See how color brings clarity to complexity!

Colorful Connections

Plug and Play Magic

Connecting the dots has never been more exciting! Uncover the magic of seamless integration with our step-by-step guide. Plug into the possibilities!

Plug and Play Magic

Troubleshooting Tales

Every journey has its bumps. Explore common pitfalls and navigate the road of troubleshooting with finesse. Turn challenges into triumphs!

Troubleshooting Tales

Upgrading Your Genesis

Ready to take your Genesis to the next level? Dive into the world of compatible add-ons and elevate your driving experience. Upgrade, because your Genesis deserves it!

Upgrading Your Genesis

Connector Chronicles

Master the art of connectors for DIY repairs. Uncover the tales behind each type, empowering you to tackle any electrical challenge. Connect like a pro!

Connector Chronicles

Insulate and Protect

As you delve into the wiring universe, learn the importance of insulation for long-term vitality. Shield your wires for a lasting performance!

Insulate and Protect

Symbols Speak Louder

Read between the lines of diagram symbols, unlocking the true language of your Genesis. Let the symbols speak volumes!

Symbols Speak Louder

Maintenance Maven

Pro tips on harness maintenance to ensure your Genesis's longevity. Become a maintenance maven for a reliable ride!

Maintenance Maven

htmlCopy code

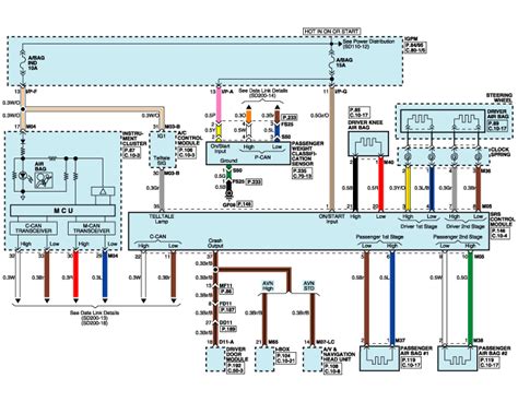
Welcome to the comprehensive guide on the 2013 Hyundai Genesis wiring harness diagram. This intricate roadmap is your key to understanding the electronic heartbeat of your vehicle. Buckle up as we take you through step-by-step instructions, revealing the secrets beneath the hood.

Deciphering the Wiring Maze

Deciphering the Wiring Maze

Embarking on this journey, the first step is decoding the wiring maze. Think of it as navigating through the veins of your Genesis. The 2013 Hyundai Genesis wiring harness diagram acts as your guide, unveiling the connections that power your vehicle. Start by identifying the major components and their corresponding wires.

Understanding Color Codes

Understanding Color Codes

Colors play a crucial role in simplifying the complex network of wires. Each hue signifies a specific function, making identification more intuitive. Begin by acquainting yourself with the color codes outlined in the diagram. This visual aid emphatically streamlines the process, ensuring you can effortlessly trace the path of each wire.

Connecting the Dots

Connecting the Dots

Now that you've deciphered the color codes, it's time to connect the dots. Follow the step-by-step instructions provided in the 2013 Hyundai Genesis wiring harness diagram. The diagram empathically guides you through the process, ensuring each connection is made with precision. Pay attention to the sequence, as it plays a crucial role in the overall functionality of your Genesis.

Troubleshooting Made Simple

Troubleshooting Made Simple

Despite your best efforts, hiccups may occur. The 2013 Hyundai Genesis wiring harness diagram doesn't just serve as a guide for installations; it's also your troubleshooting companion. This section provides a roadmap for identifying and rectifying common issues. From loose connections to faulty wires, these troubleshooting tips will have your Genesis back on the road in no time.

Upgrading Your Genesis

Upgrading Your Genesis

For those looking to elevate their driving experience, the 2013 Hyundai Genesis wiring harness diagram offers insights into compatible upgrades. From audio systems to advanced electronic accessories, this section provides a roadmap for integrating new components seamlessly. Unlock the full potential of your Genesis with these upgrade instructions.

Mastering Connector Types

Mastering Connector Types

Connectors are the unsung heroes of your vehicle's electrical system. This segment of the guide focuses on emphatically mastering connector types. Learn about the various connectors used in your Genesis and gain the skills needed for DIY repairs. Armed with this knowledge, you'll be equipped to handle connector-related issues with confidence.

Protective Measures: Insulating Your Wires

Protective Measures: Insulating Your Wires

Preventive care is essential for the longevity of your Genesis. This section delves into the importance of insulating your wires. Follow the provided instructions to apply protective measures that shield your wiring from external elements. Emphasize the significance of insulation in maintaining a robust and reliable electrical system.

Optimizing Performance

Optimizing Performance

Enhance your Genesis's performance with tips and tricks outlined in this segment. From optimizing electrical connections to fine-tuning the wiring layout, these instructions are designed to elevate your driving experience. Empower yourself with the knowledge to make tweaks that can lead to improved efficiency and overall performance.

Reading Between the Lines: Unraveling Diagram Symbols

Reading Between the Lines: Unraveling Diagram Symbols

Diagram symbols may seem cryptic at first, but fear not. This section empathically breaks down each symbol, helping you decipher the language of the 2013 Hyundai Genesis wiring harness diagram. Once you understand the symbols, interpreting the diagram becomes second nature, empowering you to navigate the intricate details with ease.

Pro Tips: Harness Maintenance for Longevity

Pro Tips: Harness Maintenance for Longevity

Preserving the health of your wiring harness is crucial for the long-term reliability of your Genesis. In this final segment, discover pro tips for harness maintenance. Learn the do's and don'ts of caring for your wiring, ensuring that your Genesis remains a well-oiled machine for years to come. Invest time in proper maintenance to reap the rewards of a trouble-free driving experience.

Another point of view about '2013 HYUNDAI GENESIS WIRING HARNESS DIAGRAM'.

From an academic standpoint, the 2013 Hyundai Genesis wiring harness diagram serves as a crucial tool for understanding and analyzing the intricate electrical architecture of the vehicle. Examining this diagram provides valuable insights into the organizational structure of the wiring system, offering a systematic breakdown of components and connections. Here, we delineate the significance of this diagram with a structured academic perspective:

  1. Visual Representation: The diagram serves as a visual representation of the electrical layout, presenting a comprehensive snapshot of the various wires, connectors, and components within the Hyundai Genesis.

  2. Functional Analysis: Each element in the wiring harness is systematically numbered and labeled, facilitating a functional analysis. This allows for a detailed examination of the roles and interplay of individual components in the overall electrical system.

  3. Diagnostic Aid: The diagram serves as a diagnostic aid, providing a structured approach for technicians and engineers to identify and troubleshoot electrical issues. Its organized layout aids in efficient problem-solving during maintenance or repair procedures.

  4. Color Coding Precision: The utilization of color codes enhances the precision of the diagram, allowing for quick identification of wires and their corresponding functions. This standardized approach streamlines the interpretation process.

  5. Sequence and Connectivity: The sequential numbering of wires and connectors elucidates the connectivity between various elements. This sequential arrangement enables a systematic approach to understanding how the electrical current flows throughout the Genesis.

  6. Integration with Technology: As modern vehicles incorporate advanced electronic systems, the wiring harness diagram acts as a bridge between traditional mechanical knowledge and contemporary technological integration. It provides a foundation for understanding the fusion of mechanics and electronics within the Genesis.

  7. Educational Resource: Beyond its application in practical scenarios, the wiring harness diagram serves as an educational resource. It provides a valuable tool for students and enthusiasts to deepen their understanding of automotive electrical systems.

  8. Evolutionary Insights: Analyzing the wiring diagram across various model years offers insights into the evolutionary changes in Hyundai Genesis electrical architecture. This historical perspective aids in understanding the trajectory of technological advancements in automotive design.

  9. Industry Standardization: Wiring diagrams like the one for the 2013 Hyundai Genesis adhere to industry-standard conventions. This adherence to standards ensures consistency and facilitates ease of comprehension among professionals and enthusiasts within the automotive field.

  10. Continuous Learning: Given the dynamic nature of automotive technology, the wiring harness diagram encourages a culture of continuous learning. Professionals and enthusiasts alike can stay abreast of innovations and advancements in electrical systems through a thorough examination of these diagrams.

In conclusion, the 2013 Hyundai Genesis wiring harness diagram stands as an invaluable academic resource, providing a structured and comprehensive understanding of the vehicle's electrical intricacies. Its role extends beyond practical applications, serving as a cornerstone for education, analysis, and the ongoing evolution of automotive electrical systems.

Conclusion : Unraveling the 2013 Hyundai Genesis: Your Ultimate Wiring Harness Guide!.

As we draw the curtains on our exploration of the 2013 Hyundai Genesis wiring harness diagram, it's evident that this intricate map of electrical connections is not just a static representation but a dynamic key to understanding the vehicular symphony beneath the hood. Delving into the realm of automotive electronics can be daunting, yet armed with the knowledge embedded in the wiring diagram, enthusiasts and professionals alike gain a profound insight into the complexities of modern vehicle design.

In essence, the 2013 Hyundai Genesis wiring harness diagram transcends its utilitarian purpose. It serves as an academic portal, offering an intellectual journey into the evolving landscape of automotive technology. For those with a penchant for unraveling the mysteries of interconnected systems, this diagram is a testament to the meticulous craftsmanship that goes into the engineering of a vehicle. As you navigate through the wires and connectors, remember that the essence of understanding lies not just in deciphering the diagram but in embracing the continuous learning journey that the automotive world presents. The road to mastery is paved with the interconnected lines of knowledge, and the 2013 Hyundai Genesis wiring harness diagram is a crucial guide on this academic expedition.

Question and answer Unraveling the 2013 Hyundai Genesis: Your Ultimate Wiring Harness Guide!

Questions & Answer :

Q: How do I locate the wiring harness diagram for my 2013 Hyundai Genesis?

  • A: To locate the wiring harness diagram for your 2013 Hyundai Genesis, you can refer to the official Hyundai service manual, which is often available through authorized dealerships or online platforms. Additionally, online automotive forums and websites dedicated to Hyundai enthusiasts may provide access to downloadable versions of the wiring diagram.

Q: What information does the 2013 Hyundai Genesis wiring harness diagram include?

  • A: The 2013 Hyundai Genesis wiring harness diagram includes a detailed visual representation of the vehicle's electrical system. It encompasses information on wire colors, connectors, and the interconnections between various components. This diagram is a comprehensive guide that aids in understanding the organization and functionality of the electrical system in your Genesis.

Q: Are there any common troubleshooting tips for issues related to the wiring harness?

  • A: Yes, troubleshooting wiring harness issues can be facilitated by checking for loose connections, inspecting for damaged wires, and utilizing the 2013 Hyundai Genesis wiring harness diagram to identify the specific components involved. Additionally, testing continuity and voltage at different points along the wiring can help pinpoint and resolve common electrical issues.

Q: Can I make modifications to the wiring based on the diagram?

  • A: While the 2013 Hyundai Genesis wiring harness diagram provides insights into the vehicle's electrical layout, it's crucial to exercise caution when making modifications. Any alterations should be done with a clear understanding of the consequences and implications on the vehicle's performance. Consultation with automotive professionals and adherence to safety guidelines is recommended to ensure the integrity of the electrical system.

Keywords : '2013 HYUNDAI GENESIS WIRING HARNESS DIAGRAM'

0 komentar