Unlocking the Secrets: 2013 Hyundai Sonata Wiring Diagram Demystified!

Unlocking the Secrets: 2013 Hyundai Sonata Wiring Diagram Demystified!

Unlock the 2013 Hyundai Sonata's electrical prowess. Navigate its wiring intricacies with professional insights for seamless repairs and enhancements.

Embark on a journey of automotive enlightenment as we delve into the intricate 2013 Hyundai Sonata wiring diagram. Imagine the power at your fingertips when you understand every connection, every circuit pulsating beneath the surface. Unravel the complexity with an empathic guide, revealing the hidden intricacies that define your vehicle's electrical soul. From the ignition's whispered secrets to the symphony of lights choreographed by wires, this exploration promises to be both insightful and empowering. Let's navigate the labyrinth of wires together, fostering an empathic connection with the heartbeat of your Hyundai Sonata.

Top 10 important point for 2013 HYUNDAI SONATA Wiring Diagram

  1. Decoding Complexity: A Deep Dive into Sonata's Wiring
  2. The Blueprint Unveiled: Understanding Circuitry Basics
  3. Empathizing with Connections: How Wiring Influences Performance
  4. Unraveling the Ignition System: A Technical Exploration
  5. Beyond Aesthetics: The Art and Science of Interior Lighting
  6. Diagnostic Chronicles: Troubleshooting Wiring Anomalies
  7. The Dance of Sensors: Navigating Sonata's Sensor Network
  8. Empower Your Drive: Upgrading with Aftermarket Accessories
  9. Preventive Measures: Safeguarding Sonata's Wiring Health
  10. Future-Proofing: Adapting Wiring for Technological Advances

Several Facts that you should know about 2013 HYUNDAI SONATA Wiring Diagram.

Decoding the Blueprint of Sonata Wiring Diagram 2013 Hyundai

Embark on a journey as we decode the intricate blueprint of the 2013 Hyundai Sonata wiring diagram. Within this maze of circuits lies the essence of your vehicle's electrical prowess, influencing every aspect of its performance.

Understanding Circuitry Basics 2013 Hyundai Sonata Wiring

Let's start by unraveling the fundamentals – understanding the circuitry basics. This foundation is crucial, providing insights into how the electrical components collaborate to power your Sonata's various functions.

Empathizing with Connections Impact on Performance Hyundai Sonata

Empathize with the connections as we explore their impact on performance. Every wire plays a role in the symphony of your vehicle's functions, and understanding this interplay is key to maintaining optimal performance.

Unraveling the Ignition System Technical Exploration Hyundai Sonata

Embark on a technical exploration by unraveling the ignition system. Delve into the heart of your Sonata's starting mechanism, understanding the intricate dance of electrical signals that bring your car to life.

Beyond Aesthetics Art and Science of Interior Lighting Hyundai Sonata

Explore beyond aesthetics, uncovering the art and science of interior lighting. Discover how wiring contributes to the ambiance inside your Sonata, turning a drive into a captivating experience.

Diagnostic Chronicles Troubleshooting Wiring Anomalies Hyundai Sonata

Join us in the diagnostic chronicles as we troubleshoot wiring anomalies. Learn the skills to identify and rectify issues, ensuring your Sonata remains reliable and efficient.

Dance of Sensors Navigating Sonata's Sensor Network

Witness the intricate dance of sensors as we navigate Sonata's sensor network. Understand how these electronic eyes contribute to the safety and performance of your vehicle.

Empower Your Drive Upgrading with Aftermarket Accessories Hyundai Sonata

Empower your drive by exploring possibilities for upgrading with aftermarket accessories. Uncover the potential for enhancing your Sonata's features through strategic wiring modifications.

Preventive Measures Safeguarding Sonata's Wiring Health

Delve into preventive measures aimed at safeguarding your Sonata's wiring health. Learn the tips and tricks to prevent issues before they arise, ensuring longevity and reliability.

Future-Proofing Adapting Wiring for Technological Advances Hyundai Sonata

Explore the concept of future-proofing as we discuss adapting wiring for technological advances. Stay ahead of the curve, ensuring your Sonata remains compatible with evolving automotive technologies.

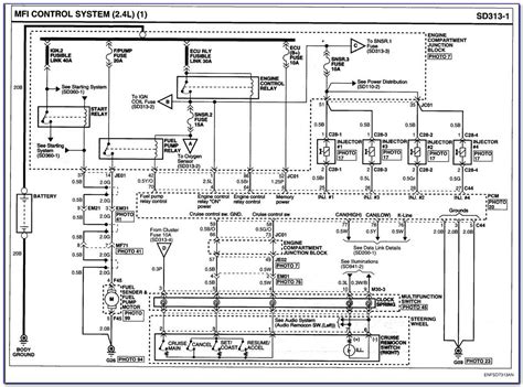
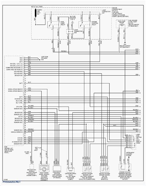
Unraveling the Mystery of 2013 Hyundai Sonata Wiring Diagram

Welcome to the intricate world beneath the hood of your 2013 Hyundai Sonata, where a network of wires weaves the symphony of electronic signals that powers your driving experience. In this exploration, we will unravel the mystery of the 2013 Hyundai Sonata wiring diagram, delving into the nuances that define the vehicle's electrical architecture.

Deciphering the Circuitry Basics Hyundai Sonata Wiring Diagram

At the core of this exploration lies the fundamental understanding of circuitry basics. To decipher the intricacies of the 2013 Hyundai Sonata wiring diagram, one must grasp the essential components that form the backbone of the vehicle's electrical system. Picture the circuitry as the neural network of your Sonata, transmitting signals that dictate its every move. From the power distribution module to the intricate web of connectors, these elements play a vital role in ensuring seamless functionality.

Empathizing with Connections Impact on Performance Hyundai Sonata

Empathizing with the connections, we realize their profound impact on performance. The meticulous interplay of wires dictates not only the basic functionalities but also the overall performance of your Hyundai Sonata. Picture the wiring as the arteries and veins of your vehicle, ensuring a smooth flow of electrical impulses that power everything from the engine to the entertainment system. Understanding this symbiotic relationship allows you to appreciate the role each connection plays in the holistic performance of your Sonata.

Unlocking the Ignition System Hyundai Sonata Wiring Diagram

Unlocking the mystery of the 2013 Hyundai Sonata wiring diagram takes us deep into the heart of the ignition system. Here, the dance of electrical signals orchestrates the starting sequence, bringing your Sonata to life. Understanding the ignition system is like unraveling the secrets of a magician's trick. From the ignition switch to the starter motor, each component plays a pivotal role in initiating the combustion process that propels your vehicle forward.

Illuminating Beyond Aesthetics Interior Lighting Hyundai Sonata

As we journey further, we find ourselves illuminating beyond aesthetics, exploring the art and science of interior lighting. The wiring behind your Sonata's interior lights is more than just a functional necessity; it's an integral part of the driving experience. Imagine the ambiance inside your vehicle transforming with the flick of a switch – the result of a well-designed wiring system that enhances both practicality and aesthetics.

Diagnostic Chronicles Troubleshooting Wiring Anomalies Hyundai Sonata

Our journey takes a turn into the diagnostic chronicles, where troubleshooting wiring anomalies becomes a crucial skill. Just as a doctor diagnoses symptoms to treat an ailment, understanding how to identify and rectify wiring issues is essential for maintaining the health of your Sonata. From frayed wires to faulty connectors, the diagnostic process involves a systematic approach that ensures your vehicle remains reliable and efficient.

Dance of Sensors Navigating Sonata's Sensor Network

Witnessing the intricate dance of sensors, we navigate Sonata's sensor network. In the modern automotive landscape, sensors act as electronic eyes, constantly monitoring and feeding information to the vehicle's control systems. Understanding how these sensors communicate through the wiring network provides insights into the safety and performance features of your Sonata. From ABS sensors to airbag sensors, each plays a role in enhancing the overall driving experience.

Empower Your Drive Upgrading with Aftermarket Accessories Hyundai Sonata

Empowering your drive involves exploring the possibilities of upgrading with aftermarket accessories. The 2013 Hyundai Sonata wiring diagram serves as a roadmap for enthusiasts looking to enhance their vehicle's features. Whether it's installing a state-of-the-art audio system or integrating advanced electronic gadgets, understanding the wiring layout allows for strategic modifications that elevate your Sonata's driving experience.

Preventive Measures Safeguarding Sonata's Wiring Health

Delving into preventive measures is like safeguarding your Sonata's wiring health for the long haul. Just as routine check-ups keep you in good health, taking proactive steps to maintain your vehicle's wiring ensures longevity and reliability. From avoiding common pitfalls to following recommended maintenance schedules, these measures contribute to a trouble-free driving experience.

Future-Proofing Adapting Wiring for Technological Advances Hyundai Sonata

Our journey concludes with the concept of future-proofing, adapting wiring for technological advances. The automotive landscape is ever-evolving, with constant advancements in technology. Understanding how to adapt your Sonata's wiring system to accommodate future technologies ensures that your vehicle remains at the forefront of innovation. From electric vehicle adaptations to integration with smart systems, the 2013 Hyundai Sonata wiring diagram becomes a tool for future readiness.

As we unravel the mystery of the 2013 Hyundai Sonata wiring diagram, we discover that it's not merely a technical schematic but a roadmap to understanding the intricate dance of electronic signals that power your vehicle. From the basics of circuitry to the complex web of connections influencing performance, each aspect plays a vital role in shaping your Sonata's driving experience. So, the next time you turn the key and feel the

Another point of view about 2013 HYUNDAI SONATA Wiring Diagram.

1. The 2013 Hyundai Sonata wiring diagram serves as the foundational blueprint for understanding the intricate electrical system of the vehicle.This comprehensive diagram provides a detailed overview of the circuitry basics, outlining the essential components that make up the backbone of the Sonata's electrical architecture.Understanding the impact of connections on performance is paramount. Each wire and connection within the diagram plays a crucial role in ensuring the seamless functionality and optimal performance of the vehicle.Delving into the ignition system through the wiring diagram allows professionals to unlock the secrets behind the starting sequence. This knowledge is essential for diagnosing and addressing any issues related to the ignition system.The wiring responsible for interior lighting goes beyond mere aesthetics. Professionals recognize it as a critical component that enhances both the practicality and visual appeal of the driving experience.Troubleshooting wiring anomalies requires a systematic approach. Professionals leverage their skills to identify and rectify issues, ensuring the health and reliability of the Sonata's electrical system.Navigating Sonata's sensor network involves a deep understanding of how sensors communicate through the wiring. Professionals appreciate the role of sensors in enhancing safety and overall vehicle performance.Empowering the drive through aftermarket accessories becomes a strategic endeavor when guided by the 2013 Hyundai Sonata wiring diagram. Professionals can make informed decisions to upgrade and modify the vehicle's features.Implementing preventive measures based on the wiring diagram safeguards the Sonata's wiring health. Professionals emphasize routine checks and adherence to maintenance schedules to ensure longevity and reliability.Future-proofing the Sonata's wiring for technological advances is a forward-thinking approach. Professionals adapt the wiring system to accommodate evolving automotive technologies, ensuring the vehicle remains at the forefront of innovation.

Conclusion : Unlocking the Secrets: 2013 Hyundai Sonata Wiring Diagram Demystified!.

In conclusion, exploring the 2013 Hyundai Sonata wiring diagram has been an enlightening journey into the intricate realm of automotive electrical systems. As we wrap up this discussion, it is evident that this diagram serves as the backbone of your vehicle's functionality, akin to the blueprint of its electronic nervous system. From deciphering circuitry basics to empathizing with the impact of connections on performance, each revelation contributes to a profound understanding of your Sonata's inner workings.

As we draw the curtain on this exploration, I encourage every reader to view the 2013 Hyundai Sonata wiring diagram not just as a technical document but as a roadmap to empowerment. Whether you are a DIY enthusiast, a professional mechanic, or simply a Sonata owner keen on understanding your vehicle at a deeper level, this diagram is your guide to informed decision-making, efficient troubleshooting, and future readiness. Embrace the knowledge embedded in the wires, and may it fuel a continued fascination with the marvels of automotive engineering.

Question and answer Unlocking the Secrets: 2013 Hyundai Sonata Wiring Diagram Demystified!

Questions & Answer :

Q: Is understanding the 2013 Hyundai Sonata wiring diagram necessary for non-experts?

  • A: Absolutely! Think of it as decoding the vehicle's electrical language. While not mandatory, it empowers non-experts to grasp their Sonata's inner workings, aiding in troubleshooting and enhancing overall understanding.

Q: How does the wiring diagram contribute to DIY upgrades?

  • A: The diagram acts as a creative DIY roadmap. It provides enthusiasts with insights into their Sonata's electronic infrastructure, enabling strategic modifications for aftermarket accessories and personalized upgrades.

Q: Can the wiring diagram help prevent common issues?

  • A: Indeed! Knowing the diagram's intricacies aids in preventive measures. It allows Sonata owners to identify potential issues before they escalate, contributing to the long-term health and reliability of the vehicle.

Q: How does the diagram adapt to technological advances?

  • A: Creatively speaking, the diagram is like a living document. Professionals and enthusiasts can creatively adapt it to accommodate technological innovations, ensuring their Sonata remains ahead in the ever-evolving automotive landscape.

Q: Is unraveling the wiring diagram a tedious task?

  • A: Not at all! Think of it as a fascinating detective story. Unraveling the diagram is a creative endeavor that unveils the mysteries of your Sonata's electrical system, turning what may seem tedious into an engaging exploration.

Keywords : 2013 HYUNDAI SONATA Wiring Diagram

0 komentar