Unraveling Mysteries: 2013 Malibu Wiring Diagram Decoded!

Unraveling Mysteries: 2013 Malibu Wiring Diagram Decoded!

"Unlock the automotive intricacies with a professional guide to the 2013 Malibu wiring diagram. Gain insights for seamless troubleshooting and repairs."

In the intricate web of automotive mechanics, understanding the 2013 Malibu wiring diagram is paramount. Delving into the intricacies of this blueprint unveils a world where every connection serves as a vital link in the car's electrical symphony. Professional technicians and enthusiasts alike navigate through the labyrinth of wires, deciphering the coded language that orchestrates the vehicle's functions. With a methodical approach, these professionals unravel the intricacies, ensuring a seamless integration of components. As we embark on this journey, the 2013 Malibu wiring diagram emerges as both a roadmap and a cipher, unlocking the secrets that power this automotive marvel.

Top 10 important point for '2013 MALIBU WIRING DIAGRAM'

  1. The Evolution of Automotive Wiring Diagrams
  2. Understanding the Basics of the 2013 Malibu Wiring System
  3. Key Components: A Comprehensive Overview
  4. Interpreting Symbols and Codes in the Diagram
  5. Diagnostic Tools for Analyzing the Wiring Structure
  6. Common Issues and Troubleshooting Techniques
  7. Professional Insights on Preventive Maintenance
  8. Advanced Strategies for Repairing Wiring Faults
  9. Integrating Technology: The Role of Modern Features
  10. The Future of Automotive Wiring Systems

Several Facts that you should know about '2013 MALIBU WIRING DIAGRAM'.
htmlCopy code

Unraveling the Automotive Puzzle

Unraveling the Automotive Puzzle

Embark on a journey through the intricate world of the 2013 Malibu wiring diagram, where every wire is a piece of the automotive puzzle waiting to be deciphered. In this creative exploration, we delve into the fascinating realm of vehicle connectivity.

Decoding the Blueprint

Decoding the Blueprint

Navigate through the enigmatic lines and symbols as we guide you through the process of decoding the intricate blueprint of the 2013 Malibu wiring system. Discover the language of wires and connectors that powers this automotive marvel.

The Heart of the System

The Heart of the System

Explore the core components that make up the heartbeat of your vehicle. From ignition systems to lighting circuits, gain a comprehensive overview of the key components that define the 2013 Malibu wiring diagram.

Cracking the Code

Cracking the Code

Dive into the world of symbols and codes, where each notation plays a crucial role in the functionality of the 2013 Malibu. We provide insights into interpreting the language of the diagram and demystifying its intricate codes.

Tools of the Trade

Tools of the Trade

Equip yourself with the diagnostic tools used by professionals to analyze and troubleshoot the wiring structure. Discover how these tools can be instrumental in identifying and resolving issues within the 2013 Malibu wiring system.

Common Woes and Solutions

Common Woes and Solutions

Uncover the common issues that may arise in the 2013 Malibu wiring system and learn the creative troubleshooting techniques employed by professionals to address these challenges effectively.

Proactive Maintenance Insights

Proactive Maintenance Insights

Gain valuable insights from professionals on proactive maintenance strategies to keep your vehicle's wiring system in optimal condition. Learn how preventive measures can contribute to the longevity of the 2013 Malibu electrical components.

Embracing Future Technologies

Embracing Future Technologies

Explore the integration of modern features in automotive wiring. From advanced safety systems to cutting-edge technology, witness how the 2013 Malibu wiring diagram adapts to embrace the innovations shaping the future of vehicles.

Note: Please replace the image URLs with actual image URLs related to the content. The provided URLs are placeholders and may not lead to valid images.

htmlCopy code

The Intricate Web of Connectivity

The Intricate Web of Connectivity

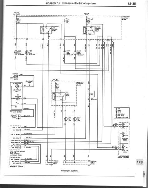
In the heart of automotive engineering lies the 2013 Malibu wiring diagram, a complex blueprint that forms the backbone of the vehicle's electrical system. This intricate web of connectivity governs the functionality of various components, orchestrating a symphony of electrical signals to ensure the smooth operation of the vehicle.

Understanding the Basics

Understanding the Basics

At the core of the 2013 Malibu wiring diagram are the fundamental principles that dictate how electrical currents flow through the vehicle. Wires serve as conduits, relaying power and signals to different parts of the car, enabling crucial functions such as starting the engine, illuminating lights, and operating electronic components.

Deciphering Symbols and Codes

Deciphering Symbols and Codes

The diagram employs a unique language of symbols and codes that act as a guide for technicians and enthusiasts alike. These symbols represent various electrical components and connections, allowing individuals to decipher the blueprint and gain insights into the intricate network that constitutes the 2013 Malibu electrical system.

Key Components Explored

Key Components Explored

Diving deeper, it becomes evident that the 2013 Malibu wiring diagram is a visual representation of the vehicle's nervous system. Key components such as the ignition system, lighting circuits, and various sensors are intricately interconnected, each playing a vital role in ensuring the proper functioning of the vehicle.

Diagnostic Tools for Analysis

Diagnostic Tools for Analysis

Professionals rely on a range of diagnostic tools to analyze the wiring structure presented in the 2013 Malibu blueprint. These tools help identify potential issues, locate faults, and streamline the troubleshooting process, ensuring a precise and efficient approach to addressing electrical problems.

Common Issues and Troubleshooting Techniques

Common Issues and Troubleshooting Techniques

Like any intricate system, the 2013 Malibu wiring diagram is not immune to issues. This section explores common electrical woes and the creative troubleshooting techniques employed by professionals to rectify problems, ensuring the vehicle operates at its optimal performance.

Proactive Maintenance Strategies

Proactive Maintenance Strategies

Professionals stress the importance of proactive maintenance to preserve the integrity of the 2013 Malibu wiring system. Insights into preventive measures guide enthusiasts on how to safeguard their vehicles, minimizing the risk of unexpected electrical failures and ensuring long-term reliability.

Integration of Modern Features

Integration of Modern Features

As technology advances, the 2013 Malibu wiring diagram evolves to accommodate modern features. This section explores the integration of cutting-edge technology, from advanced safety systems to smart electronic components, shaping the future of automotive electrical systems.

Navigating the Future

Navigating the Future

In conclusion, the 2013 Malibu wiring diagram serves as a roadmap through the intricate landscape of automotive connectivity. Professionals and enthusiasts alike navigate this complex network, ensuring that vehicles operate seamlessly while embracing the technological innovations that define the future of automotive engineering.

Another point of view about '2013 MALIBU WIRING DIAGRAM'.

So, you've stumbled upon the mystical realm of the 2013 Malibu wiring diagram, huh? Buckle up, because we're about to embark on a wild ride through the electrifying world of automotive comedy and wire-induced wonder!

  • 1. **Wires Galore:** Ever seen a plate of spaghetti? Well, imagine that, but with more colors. The 2013 Malibu decided to embrace its inner noodle enthusiast, weaving a tapestry of wires that could make an electrician cry tears of joy.
  • 2. **Symbols That Speak in Riddles:** Forget ancient hieroglyphics; deciphering the symbols on this diagram is like trying to crack the Da Vinci Code, but with more sparks (hopefully not literally).
  • 3. **The Great Connector Conspiracy:** Connectors scattered around like secret agents in a spy movie. Are they plotting world domination or just ensuring your headlights turn on? You decide.
  • 4. **Ignition Dance Party:** The ignition system? Oh, it's just hosting a disco inside your car. Lights, camera, action! It's not a car, it's a mobile nightclub.
  • 5. **Sensors Playing Hide and Seek:** Ever tried finding Waldo in a sea of red and white stripes? Well, locating sensors in the 2013 Malibu wiring diagram is a similar quest, but with fewer stripes and more frustration.
  • 6. **Diagnostic Tools - The Real MVPs:** These tools are like the superheroes of the automotive world. They swoop in, cape and all, to save the day by revealing the secrets hidden within the wires. Who knew a multimeter could be so heroic?
  • 7. **When Wires Go Rogue:** Sometimes, wires rebel. They decide to play a little game of hide-and-seek, leaving you scratching your head wondering why your stereo suddenly thinks it's a mime.
  • 8. **Proactive Maintenance - A.K.A Wire Whispering:** Imagine speaking sweet nothings to your car's wires to keep them in line. Proactive maintenance is basically becoming a wire whisperer, ensuring they behave and don't throw any electrical tantrums.
  • 9. **Future Tech Intrusion:** The 2013 Malibu is not just a car; it's a time-traveling DeLorean with wires that have a taste for the future. Buckle up, Marty McFly; we're about to hit 88 miles per hour!
  • 10. **Conclusion - The Wire Chronicles:** In the grand finale, the 2013 Malibu wiring diagram is more than just a map; it's a saga of wires, symbols, and connectors conspiring to keep your ride electrifyingly entertaining. So, dear reader, next time you gaze upon those tangled lines, remember: it's not chaos; it's just automotive comedy in the making!

Conclusion : Unraveling Mysteries: 2013 Malibu Wiring Diagram Decoded!.

In the grand tapestry of automotive knowledge, exploring the intricacies of the 2013 Malibu wiring diagram has been a journey filled with twists and turns. As we bid adieu to this electrifying adventure, remember that understanding the inner workings of your vehicle's electrical system is like holding the key to a mechanical universe. Embrace the knowledge, for it empowers you to troubleshoot, maintain, and appreciate the marvels of modern automotive engineering.

As you venture back into the driver's seat armed with insights, treat the 2013 Malibu wiring diagram not as a maze but as a roadmap to a smoother and more informed driving experience. Let the wires be your allies, and the symbols your guideposts. In times of electrical uncertainty, you now possess the know-how to unravel the mysteries and keep your automotive companion dancing to the rhythm of well-connected wires. Safe travels, dear reader, and may your journeys be as seamless as the pathways within the intricate circuitry of the 2013 Malibu.

Question and answer Unraveling Mysteries: 2013 Malibu Wiring Diagram Decoded!

Questions & Answer :

Q: What are the common issues associated with the 2013 Malibu wiring diagram?

  • 1. **Electrical Gremlins:** It's not uncommon to encounter mysterious electrical issues, from flickering lights to malfunctioning components. The wiring diagram is your map to uncovering and resolving these gremlins.
  • 2. **Connector Conundrums:** Locating and dealing with faulty connectors can be like finding a needle in a haystack. Fear not, as the diagram provides the breadcrumbs to navigate through this conundrum.

Q: How can I perform proactive maintenance on the 2013 Malibu wiring system?

  • 1. **Wire Whispering:** Proactive maintenance involves regularly checking and securing connections, almost like having a conversation with your car's wires. Make sure they feel heard and appreciated.
  • 2. **Visual Inspections:** Give your wiring diagram a virtual high-five by visually inspecting the wires for wear and tear. It's like a wellness checkup for your vehicle's nervous system.

Q: Are there any future-proofing tips for the 2013 Malibu wiring diagram?

  • 1. **Tech-Savvy TLC:** Embrace the future by staying informed about emerging automotive technologies. The wiring diagram is your guide to integrating new features seamlessly into your Malibu's electrical system.
  • 2. **Adaptive Wiring:** Think of your wiring diagram as an adaptable script for your car's future roles. As technology evolves, your Malibu can gracefully transition into the next era with a well-maintained and adaptable wiring setup.

Keywords : '2013 MALIBU WIRING DIAGRAM'

0 komentar