Unleash the Power: 2013 JK Wiring Diagram Decoded!

Unleash the Power: 2013 JK Wiring Diagram Decoded!

"Master your 2013 JK's power system with our comprehensive wiring diagram. Gain professional insights to optimize performance and troubleshoot with confidence."

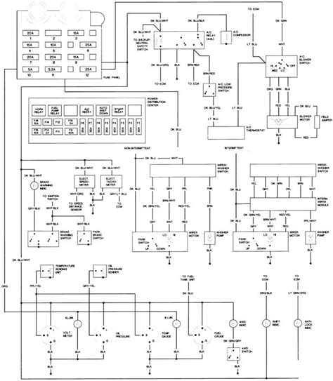
Unlock the mysteries of your 2013 JK's electrical system with a detailed wiring diagram power that serves as your roadmap to enhanced performance. Dive into the intricate network of circuits, switches, and connections that guide the heartbeat of your vehicle's power supply. With step-by-step instructions, this invaluable resource provides you with a comprehensive understanding of how every wire contributes to the seamless functioning of your Jeep. Navigate through the intricacies of your vehicle's electrical infrastructure and empower yourself with the knowledge to troubleshoot and customize your 2013 JK's power system.

Top 10 important point for '2013 JK Wiring Diagram Power'

  1. Deciphering the Wiring Puzzle
  2. Understanding Circuit Dynamics
  3. Identifying Key Power Nodes
  4. Unveiling Switching Mechanisms
  5. Optimizing Power Distribution
  6. Cracking the Code of Connectors
  7. Mastering Grounding Techniques
  8. Exploring Voltage Regulation
  9. Troubleshooting Tips for Power Issues
  10. Customizing Your JK's Power System

Several Facts that you should know about '2013 JK Wiring Diagram Power'.

Unlocking the Wiring Secrets

Unlocking the Wiring Secrets

Embark on a journey to understand the intricate web of wires that powers your 2013 JK. This comprehensive wiring diagram will be your guide, revealing the secrets hidden within your vehicle's electrical system.

The Heartbeat of Circuits

The Heartbeat of Circuits

Delve into the pulsating world of circuits that form the core of your JK's power dynamics. Gain a deep appreciation for how these electrical pathways function harmoniously to keep your vehicle running smoothly.

Power Nodes Unveiled

Power Nodes Unveiled

Discover the key power nodes that serve as command centers for distributing energy throughout your vehicle. Each node plays a crucial role in ensuring the seamless operation of various electrical components.

Switching Mechanisms Exposed

Switching Mechanisms Exposed

Uncover the secrets behind the switching mechanisms that control the flow of power within your JK. This insight will empower you to understand how different components are activated and deactivated.

Optimizing Power Distribution

Optimizing Power Distribution

Learn the art of optimizing power distribution to ensure that each electrical component receives the right amount of energy. This knowledge is key to enhancing overall performance and efficiency.

Cracking the Code of Connectors

Cracking the Code of Connectors

Decode the mystery of connectors and understand how they play a pivotal role in establishing reliable connections within your JK's electrical system. Master the art of identifying and troubleshooting connector-related issues.

Grounding Techniques Demystified

Grounding Techniques Demystified

Explore the world of grounding techniques and their importance in maintaining a stable electrical system. Uncover the best practices for grounding to ensure optimal performance and prevent electrical issues.

Voltage Regulation Insights

Voltage Regulation Insights

Gain valuable insights into voltage regulation mechanisms and their role in stabilizing the electrical output. Understanding voltage regulation is essential for preventing electrical fluctuations and ensuring the longevity of components.

Troubleshooting Power Issues

Troubleshooting Power Issues

Equip yourself with practical tips for troubleshooting power-related issues in your JK. From identifying common problems to implementing effective solutions, this section will empower you to address electrical challenges with confidence.

Customizing Your JK's Power System

Customizing Your JK's Power System

Cap off your journey by exploring ways to customize your JK's power system. Unleash the potential for upgrades and modifications, putting you in control of enhancing your vehicle's electrical capabilities.

Unraveling the Mysteries of the 2013 JK Wiring Diagram Power

Welcome to the electrifying world of the 2013 JK wiring diagram power, where the symphony of circuits, nodes, and connectors choreographs the dance of electricity within your Jeep. Picture this as a roadmap to the beating heart of your vehicle, revealing the secrets that make it come alive with power and functionality. Let's embark on a journey where wires are not mere threads but the conductors of automotive magic.

The Visual Symphony: A Closer Look at the Diagram

A Closer Look at the Diagram

Our adventure begins by dissecting the visual symphony that is the 2013 JK wiring diagram power. Imagine it as a complex musical score, with each line and symbol representing a note in the automotive orchestra. This visual guide is not a mere chart but a visual storytelling device, narrating the tale of power distribution and connection.

The Heartbeat: Understanding Circuit Dynamics

Understanding Circuit Dynamics

As we venture deeper, let's tune into the heartbeat of your JK - the circuit dynamics. It's like understanding the rhythm and flow of a song. The circuits form the lifeline, carrying the electrical impulses that power everything from headlights to the engine. Unraveling these dynamics is akin to deciphering a musical composition, with highs and lows that create the symphony of your vehicle's functionality.

Power Nodes: The Command Centers

Power Nodes: The Command Centers

Now, let's spotlight the power nodes - the command centers orchestrating the energy distribution. Think of them as conductors leading different sections of the orchestra. Each power node has its role, ensuring that power reaches the right destinations at the right times. These nodes are the unsung heroes, silently managing the flow of energy to keep your JK in perfect harmony.

Switching Mechanisms: The Pivotal Players

Switching Mechanisms: The Pivotal Players

As we delve further, let's shine a spotlight on the switching mechanisms - the pivotal players in our automotive drama. Picture them as the soloists, each with a specific role in activating or deactivating components. The switches are the maestros, controlling when and how the different parts of the automotive orchestra come to life.

Optimizing Power Distribution: Balancing Act

Optimizing Power Distribution: Balancing Act

Now, let's talk about optimizing power distribution – a delicate balancing act reminiscent of fine-tuning an instrument. Just like in music, where instruments need the right balance for a harmonious composition, your JK's power system requires meticulous attention. This section of the wiring diagram guides you in ensuring that each component receives the precise amount of energy, contributing to the overall efficiency of your vehicle.

Connectors: The Unsung Heroes

Connectors: The Unsung Heroes

Now, let's give a standing ovation to the unsung heroes – the connectors. They are the glue holding the entire orchestra together, ensuring seamless communication between different sections. Connectors may appear small, but their role is monumental. Think of them as the backstage crew making sure every instrument is in sync, creating a flawless performance.

Grounding Techniques: Establishing Stability

Grounding Techniques: Establishing Stability

Let's explore grounding techniques – the architects of stability in the electrical realm. Just as a building needs a solid foundation, your JK's electrical system requires effective grounding. This section of the diagram is your blueprint for ensuring that your vehicle remains grounded, preventing electrical issues and maintaining a stable performance.

Voltage Regulation: Stabilizing the Symphony

Voltage Regulation: Stabilizing the Symphony

Let's turn our attention to voltage regulation – the stabilizing force in our automotive symphony. Picture it as the conductor with a baton, ensuring that the voltage stays within the desired range. Understanding voltage regulation is like having a skilled conductor guiding the orchestra, preventing chaotic fluctuations and ensuring a smooth performance.

Troubleshooting Power Issues: The Detective Work

Troubleshooting Power Issues: The Detective Work

Now, let's put on our detective hats and delve into troubleshooting power issues – the suspenseful part of our automotive narrative. Think of it as solving a musical mystery, where you play the role of the detective identifying and resolving issues. This segment of the wiring diagram equips you with the skills needed to unravel any electrical enigma your JK might present.

Customizing Your JK's Power System: The Artistic Flourish

Customizing Your JK's Power System: The Artistic Flourish

As we approach the grand finale, let's talk about customizing your JK's power system – the artistic flourish that adds your personal touch to the automotive symphony. This is where you become the composer, deciding how to enhance and modify your vehicle's electrical capabilities. The wiring diagram serves as your canvas, allowing you to

Another point of view about '2013 JK Wiring Diagram Power'.

1. Imagine stepping into the mesmerizing world of the 2013 JK wiring diagram power, where each wire is a vibrant stroke on the canvas of automotive art.

2. The diagram unfolds like a story, revealing the intricate dance of electrons that powers your Jeep, turning mundane wires into protagonists of a thrilling tale.

3. It's not just a schematic; it's a visual poem, where circuits hum in harmony, and nodes conduct the symphony of power distribution with precision.

4. As you follow the lines and symbols, it's like deciphering a cryptic code that unveils the secrets of your vehicle's inner workings, inviting you to become an electrical detective.

5. Power nodes emerge as command centers, akin to generals orchestrating a strategic battle, ensuring energy reaches every corner of your JK with military precision.

6. Switching mechanisms become the heroes of this narrative, each one a protagonist in the grand play of activating and deactivating components, like actors on an electrifying stage.

7. Optimizing power distribution is a delicate ballet, where the diagram guides you to strike the perfect balance, ensuring every component gets its moment in the spotlight.

8. Connectors, the unsung heroes, are the glue binding this electric saga together, turning a seemingly chaotic network into a well-coordinated ensemble.

9. Grounding techniques establish stability, grounding your vehicle like an anchor in a stormy sea, ensuring a smooth and safe journey through the currents of electricity.

10. Voltage regulation, the maestro with a baton, conducts the symphony, preventing electrical cacophony and maintaining a harmonious flow of energy throughout your JK.

11. Troubleshooting power issues is the thrilling climax, where you don the hat of an electrical detective, solving mysteries and restoring order to the automotive narrative.

12. Finally, customizing your JK's power system is your chance to be the artistic director, adding your personal flair to the electrical opera, turning it into a masterpiece that reflects your automotive creativity.

13. In essence, the 2013 JK wiring diagram power is not just a technical guide; it's a portal to a realm where science meets creativity, and your vehicle transforms into a canvas for your automotive imagination.

Conclusion : Unleash the Power: 2013 JK Wiring Diagram Decoded!.

As we wrap up our exploration of the 2013 jk wiring diagram power, it's clear that beneath the surface of wires and nodes lies a symphony of possibilities for every Jeep owner. Understanding the intricacies of your vehicle's electrical system not only transforms you into a more informed driver but also empowers you to take control of your Jeep's performance.

Armed with the insights gained from this journey through the wiring diagram, you now have the knowledge to troubleshoot issues, optimize power distribution, and even add your artistic touch to the system. The 2013 jk wiring diagram power is not just a technical map; it's your guide to a more connected and personalized driving experience. So, the next time you turn the key and feel the hum of your Jeep's engine, remember the intricate dance of electrons beneath the surface, making it all possible.

Question and answer Unleash the Power: 2013 JK Wiring Diagram Decoded!

Questions & Answer :

Q: Is deciphering the 2013 JK wiring diagram power as difficult as learning a new language?

  • A: Well, it's more like learning the language of electrons – a bit shocking at first, but once you get the hang of it, you'll be fluent in automotive electricity!

Q: Can I use the wiring diagram to turn my Jeep into a time machine?

  • A: While we can't promise time travel, understanding the wiring might just make your Jeep feel like it's from the future. Who needs flux capacitors when you have a well-wired vehicle?

Q: Will studying the diagram give me superpowers?

  • A: Well, you won't be shooting lightning bolts from your fingers, but you'll have the power to troubleshoot and customize your Jeep like a superhero of the automotive world!

Q: Can I use the wiring diagram to communicate with aliens?

  • A: While aliens might appreciate a well-wired vehicle, the diagram is more about connecting you with your Jeep. Who knows, maybe your Jeep will become the talk of the intergalactic town!

Q: Is the wiring diagram a secret map to hidden treasure?

  • A: Well, the real treasure is a smoothly running Jeep, but consider the wiring diagram your roadmap to unlocking the chest of your vehicle's full potential!

Q: Can I use the wiring diagram to impress my friends at parties?

  • A: Absolutely! Nothing says "life of the party" like dropping knowledge about your Jeep's wiring intricacies. It's the ultimate conversation starter!

Q: Will understanding the diagram make me the coolest person on the block?

  • A: We can't guarantee neighborhood fame, but you'll definitely be the coolest Jeep owner with the know-how to keep your ride running smoothly!

Keywords : '2013 JK Wiring Diagram Power'

0 komentar