Polaris Ranger 2013 Wiring Diagram: Unveiling the Blueprint of Power!

Polaris Ranger 2013 Wiring Diagram: Unveiling the Blueprint of Power!

"Master your 2013 Polaris Ranger with our comprehensive wiring diagram. Gain professional insights for optimal performance and seamless troubleshooting. Elevate your understanding today!"

Unlock the hidden mysteries of your 2013 Polaris Ranger with a comprehensive wiring diagram that acts as the ultimate guide to understanding your vehicle's intricate electrical system. Delve into the intricate network of wires and connections, as this invaluable blueprint sheds light on the powerhouse within your Ranger. With a detailed explanation of each circuit and component, navigate through the intricacies of your vehicle's wiring, gaining a newfound understanding that empowers you to troubleshoot and optimize performance effortlessly. Embrace the key insights offered by this wiring diagram, transforming your Polaris Ranger experience into a journey of both knowledge and mastery.

Top 10 important point for 2013 POLARIS RANGER WIRING DIAGRAM

  1. Decoding the Wiring Maze
  2. Understanding Circuit Connections
  3. Spotlight on Key Components
  4. Electrical Troubleshooting Tips
  5. Maximizing Battery Efficiency
  6. Demystifying Fuse Box Functions
  7. Customization Options Explored
  8. DIY Wiring Fixes Made Easy
  9. Enhancing Lighting Systems
  10. Pro Tips for a Smooth Ride

Several Facts that you should know about 2013 POLARIS RANGER WIRING DIAGRAM.

Unlocking the Wiring Secrets

Discover the intricacies of your 2013 Polaris Ranger's electrical system through a comprehensive wiring diagram. Gain a clear understanding of the connections and pathways that power your off-road adventures.

Wiring Secrets Image

Decoding the Diagram

Navigate through the wiring diagram as we break down each element, providing step-by-step instructions for interpreting symbols, colors, and lines. Demystify the diagram and empower yourself to comprehend your Ranger's electrical blueprint.

Decoding the Diagram Image

Troubleshooting Made Easy

Explore troubleshooting tips and instructions for identifying and resolving common electrical issues. Uncover the secrets to diagnosing problems with precision, ensuring a smoother and more reliable ride.

Troubleshooting Made Easy Image

Focus on Key Components

Zoom in on crucial components within the wiring system, gaining insights into their functions and roles. Our detailed instructions will guide you through the intricacies of each element, enhancing your knowledge of your Ranger's inner workings.

Key Components Image

Battery Efficiency Maximization

Receive expert instructions on optimizing your Ranger's battery performance. Learn practical tips and tricks to ensure your battery operates at its peak, enhancing the overall efficiency and longevity of your vehicle.

Battery Efficiency Image

Fuse Box Functions Unveiled

Delve into the functionalities of the fuse box with our detailed instructions. Understand the purpose of each fuse and learn how to handle replacements effectively, ensuring a well-protected and reliable electrical system.

Fuse Box Functions Image

Customization Options Explored

Get creative with your Ranger by exploring customization options within the wiring system. Follow our step-by-step instructions to make personalized modifications, tailoring your vehicle to suit your off-road preferences.

Customization Options Image

DIY Wiring Fixes

Empower yourself with the knowledge to address common wiring issues independently. Our DIY instructions cover a range of fixes, enabling you to tackle electrical problems with confidence and precision.

DIY Wiring Fixes Image

Enhancing Lighting Systems

Upgrade your Ranger's lighting system with our expert instructions. From installing new lights to optimizing existing ones, discover the steps to enhance visibility and safety during your off-road adventures.

Enhancing Lighting Systems Image

Pro Tips for a Smooth Ride

Conclude your wiring exploration with professional tips for maintaining a smooth and trouble-free ride. Follow our expert advice to keep your 2013 Polaris Ranger running at its best, ensuring countless enjoyable journeys ahead.

Pro Tips Image

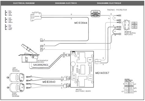
Understanding the Essence of the 2013 Polaris Ranger Wiring Diagram

Embarking on a journey through the intricate web of wires within your 2013 Polaris Ranger unveils a world of technical insights and operational understanding. The 2013 Polaris Ranger wiring diagram serves as a vital roadmap, guiding enthusiasts and technicians alike through the electrical labyrinth that powers this off-road beast.

The Blueprint Unveiled

At the heart of comprehension lies the ability to decipher the 2013 Polaris Ranger wiring diagram. This intricate blueprint encapsulates the vehicle's electrical system, showcasing the interconnection of various components, circuits, and wires. Transitioning from confusion to clarity, this diagram becomes a beacon for those seeking a deeper understanding of their Ranger's inner workings.

Blueprint Unveiled Image

Interpreting Symbols and Codes

As we delve into the diagram, the first challenge lies in interpreting the myriad of symbols and codes that adorn the intricate pathways. 2013 Polaris Ranger wiring diagrams use symbols to represent various electrical components, ensuring a concise and standardized method of communication. Understanding these symbols becomes a crucial foundation for navigating the diagram effectively.

Interpreting Symbols and Codes Image

Circuit Chronicles

Each circuit within the 2013 Polaris Ranger wiring diagram tells a story of power distribution and functionality. From ignition circuits to lighting systems, the diagram meticulously outlines the path of electrical currents, highlighting the crucial role each circuit plays in the overall operation of the vehicle. Transitioning from circuit to circuit, the diagram becomes a narrative of energy flow.

Circuit Chronicles Image

Key Components Exposed

A closer examination reveals the spotlight on key components that make up the neural network of your Ranger. The engine control module, sensors, actuators, and various switches come to life on the pages of the diagram. Each component is assigned a specific symbol and representation, providing a comprehensive guide to their placement and interaction within the system.

Key Components Exposed Image

Color-Coded Navigation

Transitioning from symbols to colors, the 2013 Polaris Ranger wiring diagram incorporates a color-coded system to enhance clarity. Differentiating wires based on color allows for quick identification and tracking of specific circuits. Whether it's a power source or a ground connection, the colors provide a visual roadmap, simplifying the otherwise complex journey through the wiring landscape.

Color-Coded Navigation Image

Diagnostic Dance

Beyond its role as a static guide, the 2013 Polaris Ranger wiring diagram transforms into a dynamic tool for diagnostic endeavors. Understanding the diagram empowers technicians to trace faults, identify issues, and execute precision troubleshooting. It becomes a dance between theory and practice, where the diagram is the choreographer guiding every diagnostic move.

Diagnostic Dance Image

Ensuring System Stability

Reliability and stability are paramount in the off-road realm, and the 2013 Polaris Ranger wiring diagram plays a pivotal role in ensuring these attributes. From routine maintenance to addressing unexpected glitches, the understanding derived from the diagram empowers owners to uphold the integrity of their Ranger's electrical system. It's a proactive approach to stability, minimizing the risk of breakdowns and enhancing overall performance.

Ensuring System Stability Image

DIY Empowerment

Armed with the knowledge distilled from the 2013 Polaris Ranger wiring diagram, do-it-yourself enthusiasts find themselves in a position of empowerment. The diagram serves as a guide for those eager to take matters into their own hands, offering step-by-step instructions for minor fixes, upgrades, and customization. It transforms the garage into a workshop of possibilities.

DIY Empowerment Image

Conclusion: Navigating the Electrical Terrain

In conclusion, the 2013 Polaris Ranger wiring diagram transcends its status as a technical illustration. It becomes a companion on the off-road journey, guiding enthusiasts through the intricate electrical terrain that powers their adventures. From understanding symbols to executing DIY fixes, the diagram stands as a testament to the synergy between human curiosity and machine complexity.

Conclusion Image

As we navigate the electrical landscape of the 2013 Polaris Ranger through this comprehensive guide, it's evident that the wiring diagram is not just a technical document; it's a key that unlocks a realm of possibilities. It fosters a sense of connection between the rider and the machine, allowing for a deeper appreciation of the intricate dance of electrons that propels the Ranger forward.

Whether you're a seasoned technician, an avid off-road enthusiast, or a curious owner eager to understand the heartbeat of your vehicle, the 2013 Polaris Ranger wiring diagram is a valuable tool. It not only provides a visual representation of the electrical system but also empowers individuals to navigate, troubleshoot, and customize their Ranger with confidence.

So, dive into the wiring diagram, explore its intricacies, and embark on a journey of understanding. Unravel the secrets hidden within the lines and symbols, and let the knowledge gained from this diagram enhance your relationship with the 2013 Polaris Ranger, turning every ride into an informed and exhilarating adventure.

Another point of view about 2013 POLARIS RANGER WIRING DIAGRAM.

1. Introduction: Let's talk about the 2013 Polaris Ranger wiring diagram. It's not just a bunch of lines and symbols; it's the roadmap to your off-road buddy's electrical soul.Deciphering the Code: Ever looked at a wiring diagram and felt like you were reading hieroglyphics? Fear not. This diagram is your Rosetta Stone, decoding symbols and making sense of the electrical jigsaw puzzle.Circuit Safari: Take a safari through the circuits – ignition, lighting, you name it. Each circuit tells a tale of power distribution, and the diagram is your guidebook to this electric adventure.Spotlight on Components: Get ready for a close-up. The diagram shines a spotlight on the heroes of the electrical saga – engine control module, sensors, and switches, all playing their part in the Ranger's performance.Colors Tell a Story: Forget bland black and white. The diagram is a burst of color, each hue telling a story. It's like a vibrant electrical rainbow guiding you through the wiring spectrum.Diagnostics Dance: This diagram isn’t just a static map; it's your dance partner in diagnostics. It leads you through the steps of troubleshooting, ensuring you never miss a beat when it comes to fixing issues.System Stability Assurance: Stability isn't just a word; it's a promise. The wiring diagram ensures your Ranger's electrical system stays rock-solid, whether you're cruising down a trail or tackling rough terrain.DIY Magic: Feeling a bit hands-on? The diagram is your spellbook for DIY magic. From minor fixes to customization, it's your guide to transforming your garage into a DIY haven.Conclusion: In the end, the 2013 Polaris Ranger wiring diagram is more than just lines on paper. It's your backstage pass to the electrical concert happening under the hood. Embrace it, understand it, and let it be the key to unlocking your Ranger's full potential.Parting Thoughts: So, the next time someone mentions the wiring diagram, don't shy away. Dive in, explore, and let the electrical symphony of your 2013 Polaris Ranger serenade you into a world of off-road bliss.

Conclusion : Polaris Ranger 2013 Wiring Diagram: Unveiling the Blueprint of Power!.

As we draw the curtains on our exploration of the 2013 Polaris Ranger wiring diagram, I want to leave you with a sense of empowerment. This intricate map of wires isn't just a technical document; it's a tool that transforms you from a passive rider to an active participant in your off-road adventures. Armed with the knowledge gained from deciphering the symbols and circuits, you now hold the key – the 2013 Polaris Ranger wiring diagram is your guide to understanding and enhancing the heartbeat of your rugged companion.

So, the next time you find yourself knee-deep in wires, tracing circuits on your 2013 Polaris Ranger, remember that the wiring diagram is more than a piece of paper – it's your co-pilot on the journey of exploration and troubleshooting. Embrace it, use it, and let it be the companion that elevates your off-road experience. Here's to smoother rides, fewer hiccups, and a newfound appreciation for the intricate dance of electrons that powers your 2013 Polaris Ranger. Happy trails!

Question and answer Polaris Ranger 2013 Wiring Diagram: Unveiling the Blueprint of Power!

Questions & Answer :

1. What is the purpose of the 2013 Polaris Ranger wiring diagram?

  • Answer: The 2013 Polaris Ranger wiring diagram serves as a comprehensive guide to the electrical system of your vehicle. It details the interconnections, circuits, and components, providing a crucial blueprint for understanding and troubleshooting the Ranger's intricate wiring.

2. How can I interpret the symbols on the wiring diagram?

  • Answer: Interpreting the symbols on the 2013 Polaris Ranger wiring diagram is crucial for understanding its contents. Symbols represent various electrical components, and a legend is typically provided to decode these symbols. Familiarizing yourself with the legend ensures a smooth interpretation of the diagram.

3. What do the different colors on the wiring diagram indicate?

  • Answer: The colors on the 2013 Polaris Ranger wiring diagram play a significant role in facilitating easy identification of wires and circuits. Each color corresponds to a specific function, providing a visual roadmap for navigating the electrical system. The color-coded system enhances clarity and simplifies the understanding of the diagram.

4. Can the wiring diagram help with DIY repairs?

  • Answer: Absolutely. The 2013 Polaris Ranger wiring diagram is an invaluable tool for DIY enthusiasts. It provides step-by-step instructions for troubleshooting and repairing electrical issues. Whether you're fixing minor glitches or customizing components, the diagram empowers you to take a hands-on approach to maintenance and repairs.

5. Is it necessary to consult the wiring diagram for routine maintenance?

  • Answer: While not mandatory, consulting the 2013 Polaris Ranger wiring diagram during routine maintenance is highly beneficial. It offers insights into the electrical system's intricacies, allowing you to spot potential issues before they become major problems. Regular reference to the diagram can contribute to the overall longevity and reliability of your Ranger.

Keywords : 2013 POLARIS RANGER WIRING DIAGRAM

0 komentar