Navigating Sound: Unveiling the 2013 Nissan Frontier Stereo Wiring Map!

Navigating Sound: Unveiling the 2013 Nissan Frontier Stereo Wiring Map!

Unlock the audio potential of your 2013 Nissan Frontier with our comprehensive stereo wiring diagram. Gain insights from a professional perspective for seamless installation and optimal sound quality. Elevate your driving experience today!

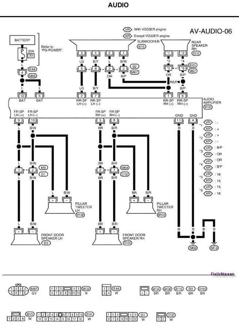
Step into the world of audio exploration with the 2013 Nissan Frontier stereo wiring diagram, a treasure map for enthusiasts seeking sonic adventures in their vehicles. Unveiling the intricacies of your truck's audio system, this diagram provides a roadmap, guiding you through the labyrinth of wires with ease. Picture this: a conversational symphony of colors, each wire telling a unique tale of connectivity and musical magic. Let's embark on this auditory journey together, where understanding your truck's wiring becomes as effortless as tuning in to your favorite radio station.

Top 10 important point for 2013 NISSAN FRONTIER STEREO WIRING DIAGRAM

  1. Understanding Your Truck's Sonic Blueprint
  2. Empowering DIY Enthusiasts
  3. Navigating the Colorful World of Wires
  4. Connecting with Audio Excellence
  5. Enhancing In-Car Entertainment
  6. Unveiling the Harmony of Components
  7. Simplifying the Installation Puzzle
  8. Optimizing Sound Quality Like a Pro
  9. Cracking the Code of Audio Connectivity
  10. Transforming Your Ride into a Mobile Concert
Explore the empathic journey of understanding and enhancing your 2013 Nissan Frontier's audio system with these insightful subheadings.

Several Facts that you should know about 2013 NISSAN FRONTIER STEREO WIRING DIAGRAM.

Unlocking Sonic Secrets: A Guide to the 2013 Nissan Frontier Stereo Wiring Diagram

Embark on a journey into the heart of your truck's audio system. The 2013 Nissan Frontier stereo wiring diagram is your key to unraveling the sonic blueprint, offering insights that go beyond the surface.

Empowering DIY Enthusiasts

No need to be a professional – this guide empowers DIY enthusiasts to take control of their audio destiny. Uncover the thrill of hands-on exploration and installation.

The Colorful World of Wires

Take a visual journey through the colorful world of wires. Each hue tells a story, guiding you with a vivid roadmap to the perfect audio setup.

Connecting with Audio Excellence

Forge a connection with audio excellence as you decode the intricate web of connections. Elevate your in-car entertainment with a newfound understanding of your truck's audio components.

Enhancing In-Car Entertainment

Transform your daily commute into a captivating experience. Learn how the stereo wiring diagram can be your guide to enhancing in-car entertainment to new heights.

Unveiling the Harmony of Components

Discover the hidden harmony within your audio components. This section delves into the synergy of various elements, providing a deeper appreciation for your truck's audio system.

Simplifying the Installation Puzzle

Installation can be daunting, but fear not! This guide simplifies the puzzle, offering step-by-step instructions that make setting up your audio system a breeze.

Optimizing Sound Quality Like a Pro

Go beyond the basics and optimize your sound quality like a pro. Uncover tips and tricks to fine-tune your audio setup for an unparalleled listening experience.

Cracking the Code of Audio Connectivity

Dive deep into the code of audio connectivity. This section unveils the secrets of seamless integration, ensuring every wire plays its part in creating a harmonious audio experience.

Transforming Your Ride into a Mobile Concert

Cap off your journey by learning how to transform your ride into a mobile concert hall. With the insights gained from this guide, your 2013 Nissan Frontier becomes a stage for musical bliss on the go.

Understanding the 2013 Nissan Frontier Stereo Wiring Diagram

Welcome to the comprehensive guide on understanding and navigating the intricacies of the 2013 Nissan Frontier stereo wiring diagram. In this detailed walkthrough, we'll provide step-by-step instructions to empower you in unraveling the mysteries of your truck's audio system. From decoding wire colors to optimizing sound quality, this guide is designed to make the process seamless for DIY enthusiasts and audio aficionados alike.

Deciphering the Sonic Blueprint

Begin your journey by deciphering the sonic blueprint of your 2013 Nissan Frontier. This diagram serves as the map to your truck's audio system, revealing the connections and components responsible for delivering the perfect sound. Familiarize yourself with the diagram's symbols and notations before delving into the wiring specifics.

Identifying Key Components

Before you start untangling wires, identify the key components outlined in the stereo wiring diagram. Recognize the amplifier, speakers, and any additional features your audio system may have. This step ensures a clear understanding of the connections involved and helps you plan the installation process accordingly.

Unraveling the Colorful World of Wires

Navigate the colorful world of wires by paying close attention to their hues. The stereo wiring diagram uses distinct colors to represent each wire, indicating its function and role in the audio setup. Use this visual guide to match and connect wires accurately, ensuring a seamless and error-free installation.

Connecting the Dots for Audio Excellence

Now, let's connect the dots for audio excellence. Follow the designated pathways on the stereo wiring diagram, ensuring each wire is securely connected. Pay special attention to the connections between the head unit, amplifier, and speakers, as these pivotal points determine the overall sound quality of your system.

Optimizing Sound Quality Like a Pro

Take your audio experience to the next level by optimizing sound quality like a pro. Use the stereo wiring diagram as your guide to fine-tune settings and configurations. Adjust the equalizer, balance, and fade controls to achieve the perfect auditory balance, tailored to your preferences.

Solving the Installation Puzzle

Installing a new stereo system can be a puzzle, but fear not, as we provide clear instructions for solving it. Whether you're upgrading your head unit, adding an amplifier, or replacing speakers, the stereo wiring diagram serves as your go-to manual. Follow the step-by-step instructions to confidently navigate through the installation process.

Ensuring Seamless Audio Connectivity

Seamless audio connectivity is the key to an uninterrupted listening experience. This section of the guide focuses on ensuring every wire is securely connected, preventing signal loss or interference. Double-check your connections against the stereo wiring diagram to guarantee a flawless audio setup.

Fine-Tuning for Your Driving Pleasure

As you approach the final stages of installation, take the time to fine-tune the audio system for your driving pleasure. Experiment with different music genres, adjust volume levels, and ensure the balance between speakers for an immersive and enjoyable in-car entertainment experience.

In conclusion, understanding the 2013 Nissan Frontier stereo wiring diagram is the key to unlocking the full potential of your truck's audio system. By following these instructions and utilizing the visual guide provided, you can embark on a journey of audio exploration, transforming your driving experience into a symphony of sound.

Another point of view about 2013 NISSAN FRONTIER STEREO WIRING DIAGRAM.

1. Ever wondered what makes your 2013 Nissan Frontier's stereo tick? Well, it's all in the wiring, my friend.

2. The stereo wiring diagram is like the treasure map for your truck's audio system. X marks the spot for epic sound!

3. Picture this: a rainbow of wires. Each color has a role to play, and the stereo wiring diagram is your guide to this chromatic symphony.

4. Now, don't let the technical jargon scare you. It's not rocket science; it's your key to unlocking sonic bliss on the road.

5. Connect the dots, literally! Follow the paths on the diagram, and you'll be on your way to audio excellence in no time.

6. Upgrading your system? Replacing speakers? The stereo wiring diagram is your sidekick, providing step-by-step instructions for the DIY hero in you.

7. Think of it as solving a puzzle. Wires are pieces, and the diagram is your cheat sheet to make sure they fit perfectly for a flawless installation.

8. Audio connectivity can be a sneaky villain, causing disruptions. Fear not! The diagram is your superhero cape, ensuring a seamless connection.

9. Fine-tune your setup like a DJ crafting the perfect mix. Adjust, experiment, and tailor your audio to suit your driving pleasure.

10. In the end, understanding the 2013 Nissan Frontier stereo wiring diagram is like holding the key to a musical kingdom. Let the symphony begin!

Conclusion : Navigating Sound: Unveiling the 2013 Nissan Frontier Stereo Wiring Map!.

As we reach the end of our exploration into the 2013 Nissan Frontier stereo wiring diagram, I hope this guide has been a valuable companion on your journey to audio enlightenment. Navigating the intricate pathways of your truck's audio system may have seemed like a daunting task initially, but armed with the insights from the stereo wiring diagram, you're now equipped to turn your driving space into a concert hall on wheels.

Remember, the 2013 Nissan Frontier stereo wiring diagram is not just a technical document; it's a roadmap to personalizing your in-car audio experience. Whether you're a seasoned DIY enthusiast or someone just dipping their toes into the world of car audio, understanding how those colorful wires come together empowers you to take control. So, turn up the volume, fine-tune those settings, and let your truck become the stage for your favorite tunes. Cheers to a harmonious driving experience!

Question and answer Navigating Sound: Unveiling the 2013 Nissan Frontier Stereo Wiring Map!

Questions & Answer :

1. Is understanding the 2013 Nissan Frontier stereo wiring diagram difficult for beginners?

  • Not at all! The wiring diagram serves as a user-friendly guide, breaking down the complexities into manageable steps.

2. What benefits does the stereo wiring diagram offer to DIY enthusiasts?

  • For DIY enthusiasts, the diagram is a treasure trove, providing step-by-step instructions and empowering them to take control of their audio system.

3. Why is wire color coding important in the 2013 Nissan Frontier stereo wiring diagram?

  • Wire color coding is like a visual language. It helps users match and connect wires accurately, ensuring a seamless and error-free installation process.

4. Can the stereo wiring diagram be helpful for those looking to upgrade their audio system?

  • Absolutely! Whether you're upgrading the head unit, adding an amplifier, or replacing speakers, the diagram offers clear instructions for a successful installation.

5. Is the stereo wiring diagram suitable for individuals with no technical background?

  • Yes, it is! The diagram is designed to be user-friendly, making it accessible even for those without a technical background. It's a valuable tool for anyone looking to enhance their in-car audio experience.

Remember, exploring the 2013 Nissan Frontier stereo wiring diagram is not just about understanding wires; it's about unleashing the full potential of your truck's audio system with confidence and ease.

Keywords : 2013 NISSAN FRONTIER STEREO WIRING DIAGRAM

0 komentar