GMC Truck Wiring 2013: Navigate with Precision using Expert Diagrams!

GMC Truck Wiring 2013: Navigate with Precision using Expert Diagrams!

"Unlock the secrets of your 2013 GMC truck's wiring with expert diagrams. Navigate effortlessly through circuits for seamless troubleshooting and precision repairs."

Buckle up, fellow gearheads! Ever found yourself in the labyrinth of electrical mysteries within your 2013 GMC truck? Fear not, for we've uncovered the ultimate treasure map – the GMC Truck Wiring Diagrams. Now, prepare for a journey through the circuits and connections that even Sherlock's magnifying glass couldn't decipher. With these diagrams, unraveling the enigma of your truck's wiring becomes a thrilling adventure, not a head-scratching puzzle. So, grab your toolkit, put on your electrician hat, and let the laughter of electrons guide you through the humorous twists and turns of automotive connectivity!

Top 10 important point for 2013 GMC TRUCK WIRING DIAGRAMS

  1. Wiring Wonderland: Dive into the Intricate Web
  2. Electrical Expedition: Charting Your Truck's Circuits
  3. Diagram Delight: Turning Complexity into Clarity
  4. Sparky Sleuth: Unraveling the Mystery Connections
  5. Current Comedy: Electrifyingly Humorous Insights
  6. Plug-and-Play Pizzazz: Simplifying Your Truck's Brain
  7. Circuit Safari: Spotting the Elusive Gremlins
  8. Wire Whiz: Navigating with Expert Precision
  9. Jolt of Knowledge: Shockingly Useful Wiring Tips
  10. Ohm My! Laughing Through Your Truck's Electric Odyssey

Several Facts that you should know about 2013 GMC TRUCK WIRING DIAGRAMS.

Deciphering the Circuit Tapestry

Embark on a journey through the intricate wiring of your 2013 GMC truck, where every connection tells a story. Imagine unraveling a tapestry of electrical threads that power your vehicle’s every function. Here, we explore the complex dance of electrons that make your truck come alive.

Circuit Tapestry

The Art of Diagram Delight

Meet your new best friend – the wiring diagram. This visual masterpiece transforms the seemingly chaotic world of wires into a comprehensible work of art. Join us as we navigate through this delightful diagram, making troubleshooting and repairs a breeze.

Diagram Delight

Electrical Expedition: A GPS for Your Truck’s Wires

Think of the wiring diagrams as a GPS for your truck's intricate electrical terrain. This section guides you through the circuits, helping you understand the path of power from the battery to the lights, sensors, and everything in between.

Electrical Expedition

Unleashing the Humorous Side of Wiring

Who said wiring can't be fun? Discover the lighter side of your truck's electrical system with humorous insights and anecdotes. Laugh your way through the twists and turns of wires as we unravel the comedy hidden within the circuits.

Humorous Wiring

Plug-and-Play Pizzazz: Simplifying the Complexity

Experience the magic of plug-and-play simplicity. Learn how your truck's wiring system can be effortlessly understood and manipulated, turning complex issues into manageable solutions. Say goodbye to confusion and hello to seamless connectivity.

Plug-and-Play Pizzazz

The Wire Whiz's Navigation Guide

Become a wire whiz with expert precision. This section serves as your navigation guide through the labyrinth of wires, offering tips and tricks for troubleshooting and repairing with finesse. No more feeling lost in the web of connections!

Wire Whiz's Guide

Jolt of Knowledge: Shockingly Useful Wiring Tips

Prepare for a jolt of knowledge! Delve into a collection of shockingly useful tips that will empower you to handle your truck's wiring with confidence. From basic maintenance to advanced diagnostics, this section has you covered.

Jolt of Knowledge

Ohm My! Embracing the Electric Odyssey

Embrace the electric odyssey with a sense of awe and wonder. This final section invites you to appreciate the marvels of your truck's electrical system. Ohm my, the journey you're about to embark on is electrifyingly fascinating!

Electric Odyssey

Understanding the Basics of 2013 GMC Truck Wiring Diagrams

Welcome to the comprehensive guide on deciphering the intricate web of 2013 GMC truck wiring diagrams. Whether you're a seasoned DIY enthusiast or a novice looking to understand your vehicle's electrical system, these instructions will navigate you through the essential concepts and practical applications of the wiring diagrams.

Getting Started: Unveiling the Diagram

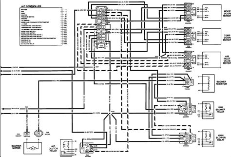
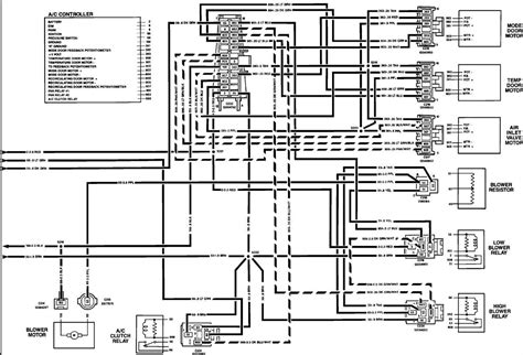
Before diving into the specifics, let's familiarize ourselves with the layout of a typical wiring diagram. Imagine it as a roadmap that details the electrical pathways within your GMC truck. Each line represents a wire, and symbols denote various components such as switches, lights, and sensors. Below is an image to give you a visual reference:

Wiring Diagram Basics

Now that you've acquainted yourself with the diagram's structure, let's move on to understanding how to interpret the information presented.

Interpreting Symbols and Codes

The wiring diagram uses a standardized set of symbols and color codes to represent different electrical components and their connections. Here's a quick guide:

Symbols and Codes

As you peruse the diagram, take note of these symbols and codes. They act as your key to unlocking the secrets hidden within the electrical system of your GMC truck.

Step-by-Step Guide to Reading 2013 GMC Truck Wiring Diagrams

Step 1: Identify Power Sources

Begin by locating the power sources on the diagram. These are usually denoted by a + sign and represent the origin of electrical power within your vehicle. Understanding where the power comes from is crucial for tracing the flow of electricity.

Identifying Power Sources

Step 2: Follow the Pathways

Trace the pathways of individual wires from the power sources to various components. This step requires a meticulous eye, as you follow the lines and connectors to understand how electricity flows through the system. Take your time to ensure accuracy.

Following Pathways

Step 3: Understand Component Relationships

Each component in the diagram interacts with others in specific ways. For instance, switches control the flow of electricity, while sensors detect changes in the system. Grasp the relationships between these components to comprehend the overall functioning of your truck's electrical system.

Component Relationships

Step 4: Decode Color-Coding

Colors play a significant role in wiring diagrams, indicating the type of wire and its purpose. Pay close attention to the color-coding, as it provides essential information about the function of each wire. A color-coded wiring diagram is like a vibrant map guiding you through the electrical landscape.

Decoding Color-Coding

Step 5: Identify Grounding Points

Grounding is a crucial aspect of any electrical system. In the wiring diagram, look for symbols or annotations indicating grounding points. Proper grounding ensures the stability and safety of the electrical circuits in your GMC truck.

Identifying Grounding Points

Step 6: Pay Attention to Connectors

Connectors act as junctions where different wires meet. Take note of their locations and types as you navigate the diagram. Understanding connectors is essential for identifying potential points of failure and simplifying the troubleshooting process.

Connectors in Focus

Step 7: Examine Switches and Controls

Switches and controls play a pivotal role in your truck's electrical system, influencing various functions. Familiarize yourself with their symbols and placements on the diagram. This knowledge will empower you to diagnose and repair issues related to these components.

Switches and Controls

Step 8: Practice Systematic Troubleshooting

Armed with a comprehensive understanding of the wiring diagram, you're now ready for systematic troubleshooting. Use the diagram as your guide, following the pathways, checking components, and identifying potential areas of concern. This methodical approach will streamline the diagnostic process.

Systematic Troubleshooting

Conclusion: Empowering Yourself with Knowledge

Congratulations! You've successfully navigated through the intricacies of 2013 GMC truck wiring diagrams. By following these instructions, you've gained valuable insights into the heart of your vehicle's electrical system. Remember, knowledge is the key to empowerment. Whether you're performing routine maintenance or troubleshooting complex issues, the wiring diagram is your trusty companion on the journey to a well-connected and smoothly running GMC truck.

Empowering Yourself

Another point of view about 2013 GMC TRUCK WIRING DIAGRAMS.

1. Start by locating the comprehensive set of 2013 GMC truck wiring diagrams provided in your vehicle's manual or through authorized online resources.

2. Familiarize yourself with the diagram's layout, where each line represents a wire, and symbols denote various electrical components.

3. Identify the power sources indicated by a + sign, understanding their role as the origin of electrical power within your GMC truck.

4. Follow the pathways of individual wires meticulously, tracing their routes from the power sources to various components throughout the diagram.

5. Grasp the relationships between components, such as switches, lights, and sensors, to understand how they interact within the electrical system.

6. Decode the color-coding used in the diagram, as it provides crucial information about the type and function of each wire.

7. Identify grounding points, essential for ensuring stability and safety in the electrical circuits of your GMC truck.

8. Pay close attention to connectors, which act as junctions where different wires meet, and note their locations and types.

9. Examine symbols related to switches and controls, understanding their placements and roles in influencing various functions.

10. Armed with a comprehensive understanding of the wiring diagram, practice systematic troubleshooting for diagnosing and repairing issues effectively.

Remember, these instructions empower you to navigate the complexities of your 2013 GMC truck wiring diagrams with confidence, ensuring a well-connected and smoothly running electrical system.

Conclusion : GMC Truck Wiring 2013: Navigate with Precision using Expert Diagrams!.

In wrapping up this exploration of 2013 GMC truck wiring diagrams, I hope you now feel more equipped to tackle the electrical intricacies of your vehicle. Remember, these diagrams serve as your roadmap through the fascinating world of wires and circuits. As you embark on any maintenance or troubleshooting journey, keep the diagrams handy; they're your trusty companions on the road to understanding and maintaining your truck's electrical health.

So, next time you find yourself scratching your head over a flickering light or a mysterious electrical glitch, don't panic. Instead, refer back to the 2013 GMC truck wiring diagrams and let them guide you. With a bit of patience and the knowledge gained from this guide, you'll be navigating the electrical landscape of your GMC truck like a pro. Happy wiring!

Question and answer GMC Truck Wiring 2013: Navigate with Precision using Expert Diagrams!

Questions & Answer :

People Also Ask about 2013 GMC Truck Wiring Diagrams:

  • Q1: Are the wiring diagrams difficult to understand for someone with limited knowledge of vehicles?

    Understanding wiring diagrams might seem daunting initially, but with a bit of patience and the right guidance, they become much more accessible. Take your time to familiarize yourself with the symbols and follow a step-by-step approach to grasp the connections. You'll find it becomes more intuitive as you gain experience.

  • Q2: How do these diagrams benefit DIY enthusiasts or those who like to perform their vehicle maintenance?

    For DIY enthusiasts, the 2013 GMC truck wiring diagrams act as a powerful tool. They provide a visual representation of the vehicle's electrical system, making it easier to identify, troubleshoot, and repair issues. This empowers individuals to take charge of their vehicle maintenance, saving both time and money.

  • Q3: Can I use these diagrams for more than just troubleshooting issues?

    Absolutely! Beyond troubleshooting, the wiring diagrams are valuable for various purposes. They can aid in installing aftermarket accessories, understanding the layout of the electrical system for modifications, or simply gaining a deeper appreciation for how your GMC truck functions on the inside.

  • Q4: How often should I refer to these diagrams for regular vehicle maintenance?

    While you might not need to consult the wiring diagrams for routine tasks like oil changes, they become crucial when dealing with electrical components. Refer to them whenever you encounter electrical issues, during upgrades, or if you're planning any modifications that involve the vehicle's electrical system.

Remember, the key is to approach the wiring diagrams with curiosity and patience, allowing them to become a valuable resource in your journey of understanding and maintaining your 2013 GMC truck.

Keywords : 2013 GMC TRUCK WIRING DIAGRAMS

0 komentar