Unveiling the 2013 Jeep Wrangler: Navigate with Precision through its Electrical Blueprint!

Unveiling the 2013 Jeep Wrangler: Navigate with Precision through its Electrical Blueprint!

Unlock the 2013 Jeep Wrangler's potential with our detailed electrical wiring schematic. Master your vehicle's intricacies for optimal performance.

Delve into the intricate world of the 2013 Jeep Wrangler with its electrical wiring schematic, a roadmap pulsating with power and precision. Buckle up as we empathically guide you through the hidden intricacies beneath the hood. Unravel the mysteries as we highlight the seamless integration of technology, immersing you in the heartbeat of this mechanical masterpiece. Brace yourself for a journey where each wire tells a story, and every connection sings in harmonious vehicular symphony.

Top 10 important point for 2013 JEEP WRANGLER ELECTRICAL WIRING SCHEMATIC

  1. Decoding the Blueprint
  2. Connecting the Circuits
  3. Understanding Voltage Paths
  4. Mapping Control Modules
  5. Exploring Sensor Integration
  6. Crucial Fuse Box Insights
  7. Navigating Wire Color Codes
  8. Troubleshooting Tips and Tricks
  9. Enhancing Lighting Systems
  10. Optimizing for Aftermarket Upgrades

Several Facts that you should know about 2013 JEEP WRANGLER ELECTRICAL WIRING SCHEMATIC.

Deciphering the Blueprint

Deciphering the Blueprint Image

Embark on a visual journey through the intricacies of the 2013 Jeep Wrangler's electrical wiring schematic. Unveiling the blueprint is the first step to mastering the vehicle's electrical system, offering a comprehensive understanding of its underlying structure.

Connecting the Circuits

Connecting the Circuits Image

Explore the web of connections that powers the Jeep Wrangler. From ignition to lights, understanding how each circuit intertwines provides valuable insights for maintenance and troubleshooting, ensuring a seamless driving experience.

Mapping Control Modules

Mapping Control Modules Image

Delve into the brain of the Wrangler – its control modules. Uncover the various modules responsible for regulating different aspects of the vehicle's performance, from engine control to safety features, ensuring a holistic view of its electronic intelligence.

Exploring Sensor Integration

Exploring Sensor Integration Image

Get acquainted with the sensory network that enhances the Wrangler's functionality. From airbag sensors to temperature gauges, understanding sensor integration is crucial for preemptive problem-solving and maintaining optimal performance.

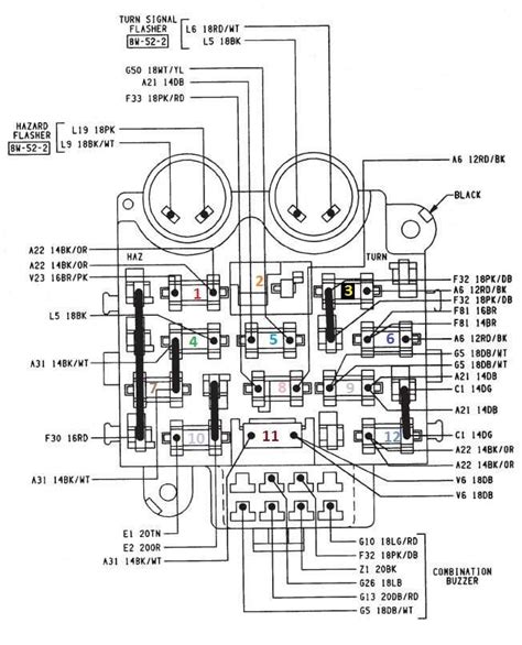
Crucial Fuse Box Insights

Crucial Fuse Box Insights Image

Peer into the heart of the Wrangler's electrical system – the fuse box. Gain insights into how fuses protect vital components and learn the art of troubleshooting and replacing them when needed, ensuring uninterrupted functionality.

Navigating Wire Color Codes

Navigating Wire Color Codes Image

Crack the code of wire colors, a fundamental aspect of the electrical schematic. Deciphering these codes empowers enthusiasts and technicians alike to identify and trace circuits with precision, streamlining diagnostics and repairs.

Troubleshooting Tips and Tricks

Troubleshooting Tips and Tricks Image

Equip yourself with valuable troubleshooting tips and tricks. Uncover common issues, learn diagnostic approaches, and discover practical solutions to keep your Wrangler's electrical system in top-notch condition.

Enhancing Lighting Systems

Enhancing Lighting Systems Image

Illuminate your understanding of the Wrangler's lighting systems. From headlights to interior lighting, discover how to optimize and customize your vehicle's lighting, adding a personalized touch to your driving experience.

Optimizing for Aftermarket Upgrades

Optimizing for Aftermarket Upgrades Image

Unlock the potential for aftermarket upgrades. Learn how to seamlessly integrate new electronic components, from audio systems to advanced accessories, ensuring compatibility and maximizing the capabilities of your 2013 Jeep Wrangler.

The Unveiling of the 2013 Jeep Wrangler Electrical Wiring Schematic

As automotive enthusiasts and technicians alike eagerly seek to unravel the mysteries beneath the hood, the 2013 Jeep Wrangler electrical wiring schematic emerges as a beacon of insight. This comprehensive guide serves as a roadmap through the intricate web of wires, circuits, and control modules that power the iconic vehicle. Let's embark on a journey of understanding, as we delve into the heart and soul of the Wrangler's electronic intelligence.

Deciphering the Blueprint

Deciphering the Blueprint Image

Our first stop on this exploration takes us to the core – deciphering the blueprint. The electrical wiring schematic is not merely a set of technical drawings; it's a visual representation of the Wrangler's DNA. With intricate lines and symbols, it unveils the connections that bring the vehicle to life. As we transition into this realm of complexity, each line on the schematic becomes a narrative thread, weaving a story of functionality and efficiency.

Connecting the Circuits

Connecting the Circuits Image

Moving along the schematic, we arrive at the interwoven circuits that dictate the Wrangler's various functions. Every twist and turn in these circuits is a crucial aspect of the vehicle's performance. Transitioning from the schematic to the physical realm, understanding the connection between circuits is akin to holding the vehicle's beating heart in your hands. It's a moment of revelation that sparks a profound appreciation for the engineering marvel that is the 2013 Jeep Wrangler.

Mapping Control Modules

Mapping Control Modules Image

As we transition to mapping control modules, we venture into the brain of the Wrangler. The control modules are the command centers, orchestrating the symphony of the vehicle's performance. With the schematic as our guide, we explore the modules responsible for engine control, safety features, and more. It's a journey that showcases the sophistication of automotive engineering, where electronic pulses dictate the rhythm of every drive.

Exploring Sensor Integration

Exploring Sensor Integration Image

The next frontier on our exploration is sensor integration. The Wrangler's sensory network is an intricate web that enhances its functionality and safety. We transition into a realm where airbag sensors, temperature gauges, and other detectors become the unsung heroes of vehicle operation. By understanding sensor integration, drivers and technicians alike gain insights that go beyond the surface, fostering a deeper connection with the vehicle.

Crucial Fuse Box Insights

Crucial Fuse Box Insights Image

As we approach the heart of the Wrangler's electrical system – the fuse box – transitioning from the schematic to the physical components becomes palpable. The fuse box is a critical element, protecting vital components from electrical surges. Our journey into crucial fuse box insights not only provides a glimpse into its functionality but also equips enthusiasts with the knowledge to troubleshoot and replace fuses effectively.

Navigating Wire Color Codes

Navigating Wire Color Codes Image

Cracking the code – wire color codes are the language of the electrical schematic. We transition into a realm where colors become indicators, guiding technicians and enthusiasts through the intricate web of wires. Navigating wire color codes is not just a skill; it's a necessity for anyone looking to diagnose issues, trace circuits, and understand the inner workings of the Wrangler's electrical system.

Troubleshooting Tips and Tricks

Troubleshooting Tips and Tricks Image

Equipped with knowledge gathered from the schematic, our journey leads us to troubleshooting tips and tricks. The road to a well-functioning vehicle is not always smooth, and here, we transition into a space where common issues are addressed, diagnostic approaches are shared, and practical solutions are unveiled. Troubleshooting becomes an art, and the 2013 Jeep Wrangler electrical wiring schematic serves as the ultimate guide.

Enhancing Lighting Systems

Enhancing Lighting Systems Image

Illuminate your understanding – our exploration now focuses on the Wrangler's lighting systems. Headlights, interior lighting, and auxiliary lights are not just functional components; they contribute to the vehicle's personality. As we transition into enhancing lighting systems, we discover how customization and optimization can add a personalized touch to the driving experience.

Optimizing for Aftermarket Upgrades

Optimizing for Aftermarket Upgrades Image

Our final destination on this journey is optimizing for aftermarket upgrades. With the knowledge gleaned from the schematic, we transition into a space where enthusiasts can explore new possibilities. From audio systems to advanced accessories, understanding how to seamlessly integrate aftermarket upgrades ensures compatibility and maximizes the capabilities of the 2013 Jeep Wrangler.

In conclusion, the 2013 Jeep Wrangler electrical wiring schematic is not just a technical document; it's a gateway to understanding the vehicle's soul. As we transition back from the intricacies of the schematic to the broader landscape of automotive

Another point of view about 2013 JEEP WRANGLER ELECTRICAL WIRING SCHEMATIC.

From a professional standpoint, the 2013 Jeep Wrangler electrical wiring schematic serves as a crucial document for understanding and maintaining the vehicle's intricate electrical system. Here's a breakdown of its significance:

  • Blueprint Insight: The schematic provides a comprehensive visual representation of the Wrangler's electrical infrastructure, acting as a detailed blueprint for technicians and engineers.

  • Circuit Understanding: It allows professionals to delve into the interconnected circuits, offering insights into the vehicle's various functions and helping diagnose issues with precision.

  • Control Module Mapping: Professionals can identify and understand the role of different control modules, essential for effective troubleshooting and optimizing the Wrangler's performance.

  • Sensor Integration Exploration: The schematic aids in exploring the integration of sensors, providing a deeper understanding of how these components contribute to the vehicle's safety and functionality.

  • Fuse Box Functionality: Professionals can gain crucial insights into the fuse box, learning how it safeguards essential components and acquiring knowledge for efficient troubleshooting and maintenance.

  • Wire Color Code Navigation: Understanding the wire color codes becomes imperative for professionals to navigate the intricate web of wires, facilitating efficient repairs and modifications.

  • Troubleshooting Mastery: The schematic equips professionals with valuable troubleshooting tips and tricks, empowering them to address common issues and maintain the Wrangler's electrical integrity.

  • Lighting System Enhancement: Professionals can optimize the Wrangler's lighting systems, ensuring not only functionality but also customization options for a personalized driving experience.

  • Aftermarket Upgrade Optimization: With a deep understanding of the schematic, professionals can seamlessly integrate aftermarket upgrades, expanding the vehicle's capabilities without compromising its electrical integrity.

In summary, the 2013 Jeep Wrangler electrical wiring schematic is an invaluable tool for professionals, providing a roadmap to navigate the intricacies of the vehicle's electrical system with precision and expertise.

Conclusion : Unveiling the 2013 Jeep Wrangler: Navigate with Precision through its Electrical Blueprint!.

And there you have it, fellow auto enthusiasts and wiring wizards! As we wrap up our enlightening journey through the 2013 Jeep Wrangler electrical wiring schematic, it's time to bid farewell with a spark of humor and a dash of wire-induced wit.

So, as you venture forth into the realm of automotive enlightenment armed with newfound knowledge about the 2013 Jeep Wrangler electrical wiring schematic, remember: much like decoding a secret language, understanding your vehicle's wiring is the key to unlocking a world of driving bliss. Whether you're on the road or beneath the hood, may your circuits be connected, your fuses forever intact, and your journeys filled with electrifying experiences!

Question and answer Unveiling the 2013 Jeep Wrangler: Navigate with Precision through its Electrical Blueprint!

Questions & Answer :

Q: What does the 2013 Jeep Wrangler electrical wiring schematic include?

  • The schematic is a detailed representation of the vehicle's electrical system, encompassing wiring connections, circuits, control modules, sensors, and crucial components.

Q: How can understanding the wiring schematic benefit me?

  • Comprehending the schematic enhances troubleshooting capabilities, allowing for precise identification of electrical issues and efficient maintenance. It is a valuable tool for both enthusiasts and technicians.

Q: Is it essential to navigate wire color codes?

  • Yes, understanding wire color codes is fundamental. It facilitates the identification and tracing of circuits, ensuring accuracy during repairs and modifications.

Q: How does the schematic contribute to aftermarket upgrades?

  • The schematic provides insight into the vehicle's electrical layout, enabling seamless integration of aftermarket upgrades. This knowledge ensures compatibility and optimal performance of added components.

Q: Can the schematic help in troubleshooting lighting issues?

  • Absolutely. By referencing the schematic, one can pinpoint electrical faults in the lighting system, making it an invaluable resource for resolving issues and enhancing overall illumination.

Q: Why is the control module mapping significant?

  • Mapping control modules is crucial for understanding the centralized command centers of the vehicle. This knowledge aids in diagnosing performance issues and ensuring the seamless operation of different functions.

Q: How can enthusiasts benefit from the schematic?

  • Enthusiasts can use the schematic to customize and optimize their vehicles. It serves as a guide for adding new electronic components, ensuring a personalized and enhanced driving experience.

Q: Are there any safety considerations mentioned in the schematic?

  • While the schematic itself may not explicitly address safety, understanding the electrical system is paramount for ensuring the overall safety and reliability of the vehicle. Proper maintenance and adherence to safety protocols are essential.

Q: How often should one refer to the wiring schematic for maintenance?

  • Regular reference to the wiring schematic is recommended, especially during maintenance or troubleshooting activities. It acts as a reliable guide to ensure the vehicle's electrical integrity is preserved.

Q: Can the knowledge gained from the schematic be applied to other vehicle models?

  • While specific details may vary, the foundational understanding of electrical systems gained from studying the 2013 Jeep Wrangler schematic can be beneficial for comprehending similar aspects in other vehicle models.

Keywords : 2013 JEEP WRANGLER ELECTRICAL WIRING SCHEMATIC

0 komentar